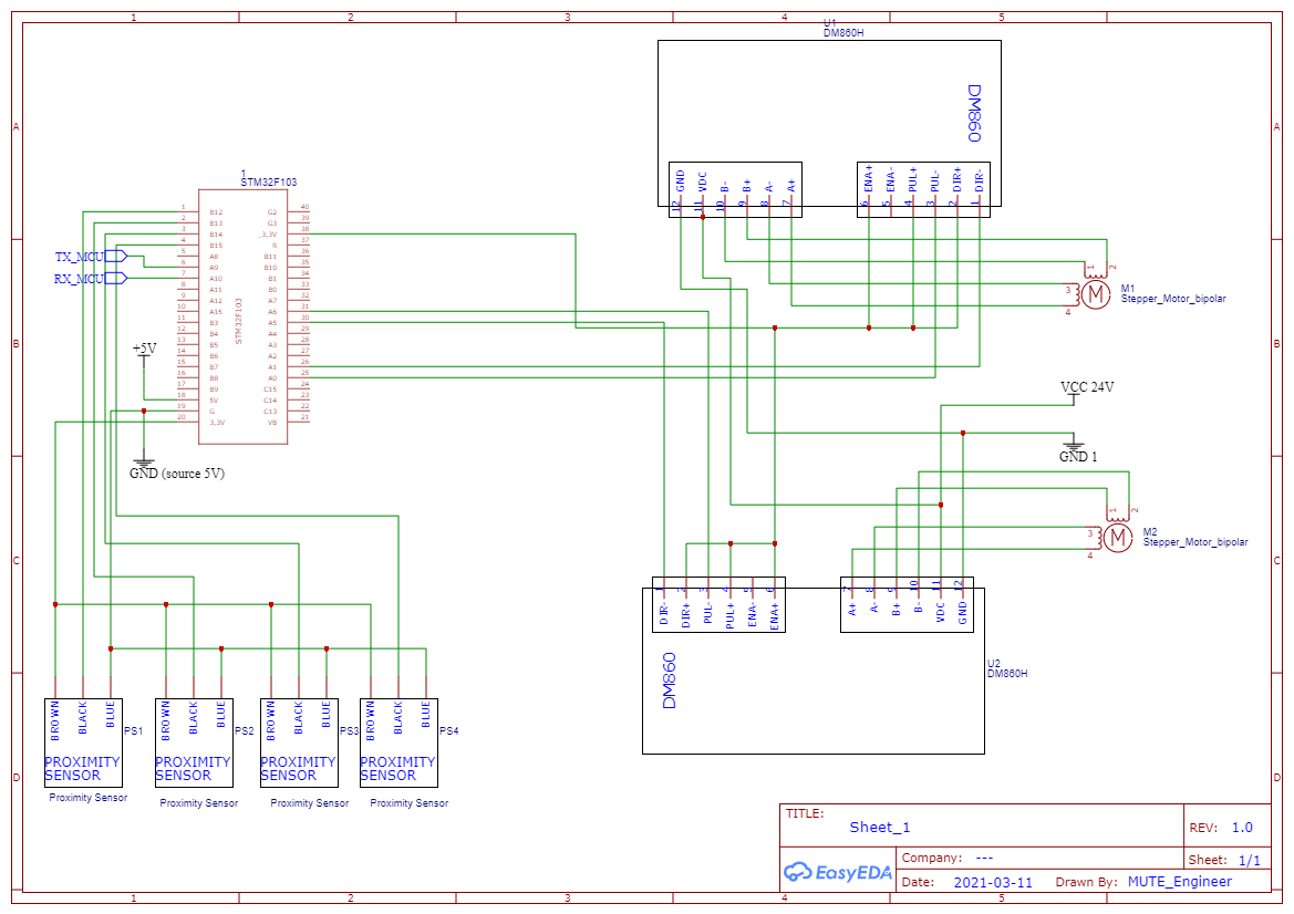
- PA0 PULSE pin
- PA1 DIR pin
- PB12 LIMIT0 ( active low )
- PB13 LIMIT1 ( active low )
- A6 PULSE pin
- PA5 DIR pin
- PB14 LIMIT2 ( active low )
- PB15 LIMIT3 ( active low )
- PA9 TX pin
- PA10 RX pin
- https://www.youtube.com/watch?v=UXxgs-XSBnM
- (This version can't setting pulse frequency default frequency is 10 kHZ)




