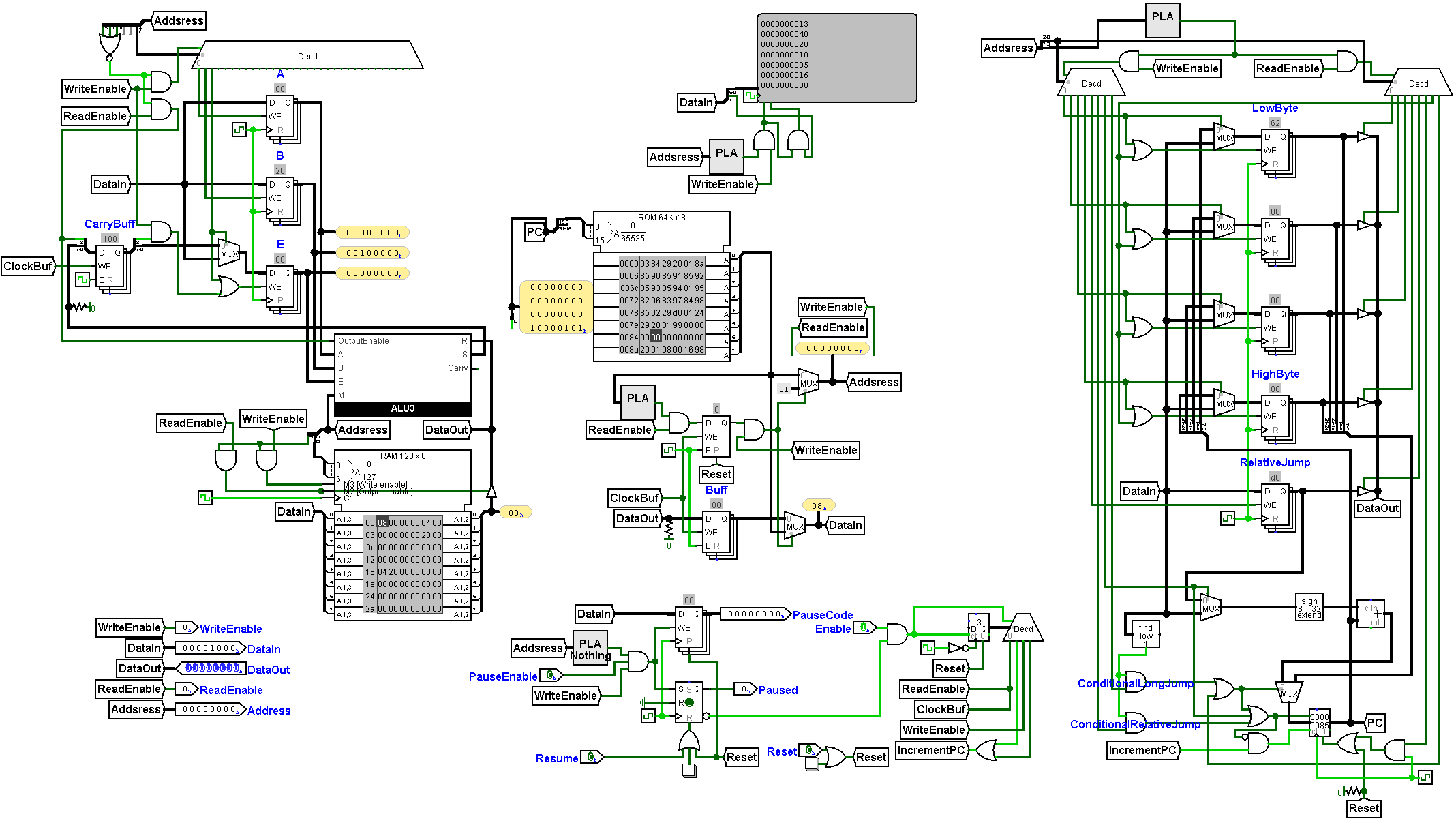
Move only computer inspired by NASA command module computer and movfuscator
Made in logisim evolution

Move core runs unconditional* move instructions all other parts of the cpu is memmory maped ALU+registers, program counter, io, stack frame. Components have conditional behaviours tex jump registers are conditonaly loded to the program pointer if a non zero value is written to 0x27. *Two instructions move A -> B and load littral to B register
Built a assembler abusing pythons eval for pre assembly functionality. Move computer currently has collatzconjecture loded in to rom.
TODO
- Implement physicly taged virtualy indexed lest resently acessed cache
- Extend data path from 8 bits to 32 bits
- Extend internal cpu adress buss from 8 bits to 12, 65% of cpu memory is maped
- Inderect moves
- Causality zones and out of order execution