使用 java 设计并实现 PC 端酒店管理系统。
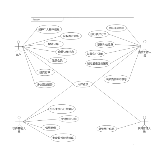
酒店管理系统是为酒店及其客户开发的业务平台,开发的目标是用于帮助客户预订酒店,包括选择酒店、提交订单和撤销订单;以及帮助酒店处理预订业务,包括接受客户预订、执行客户订单和活动促销。
通过酒店管理系统的应用,期望防范恶意预订、提高酒店的房间利用效率、为酒店吸引回头客并提高客户的满意度、提高酒店销售额和利润。
| 用例图 | 时序图示例 | 全局类图 |
|---|---|---|
![]() |
![]() |
![]() |
| 登录 | 酒店预览 | 订单填写 |
|---|---|---|
![]() |
![]() |
![]() |
| 酒店信息管理 | 客房入住情况 | 酒店促销策略 |
|---|---|---|
![]() |
![]() |
![]() |
| 酒店信息添加 | 活动管理 | 会员等级管理 |
|---|---|---|
![]() |
![]() |
![]() |
该系统是一个淘宝商品评论情感分析工具,实现的功能有:
- 淘宝某商品评论数据爬取
- 分词与关键词提取
- 词云与词频统计
- 情感分析
| 0层图 | 1层图 | 数据爬取子图 |
|---|---|---|
![]() |
![]() |
![]() |
| 分词与关键词提取子图 | 词云词频统计子图 | 情感分析子图 |
![]() |
![]() |
![]() |
| 完整评论数据 | 分词 | 关键词提取 |
|---|---|---|
![]() |
![]() |
![]() |
























